设为首页
|
加入收藏
|
联系我们
网站首页
产品简介
图片展示
交通部规范
技术指南
工程业绩
公司信息
产品简介
产品分类
沥青
印尼布敦天然岩沥青矿区
印尼制造布敦天然岩沥青
我司制造布敦天然岩沥青产品
我司产品与印尼产品比较
二号堆场
三号堆场
四号堆场
五号堆场
六号堆场
八号堆场
十号堆场
一号堆场
沥青小常识
SBS792 热塑性丁苯橡胶
交通运输部重要通知
技术支持
技术支持
技术支持
技术支持
技术支持
技术支持
联系我们
中国区域总代理商热线
四川省海鑫实业有限责任公司
电话:
028-86616170
传真:+86/028-86616170
邮编:610041
网址:
www.haixinshiyegs.com
地址:四川省成都市新南路8号
工程业绩
您现在的位置: 工程业绩 >>案例
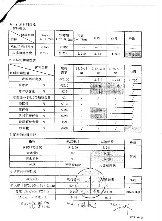
我司在南充岩沥青工程
公司在南充市修路岩沥青工程
上一个:
我公司泸州合江县岩沥青修路资料
下一个:
工程案例
打印本页
||
关闭窗口
网站首页
|
产品简介
|
图片展示
|
交通部规范
|
技术指南
|
公司信息
|
联系我们
四川省海鑫实业有限责任公司 2011版权所有
蜀ICP备2021010844号-1